INSCRIVEZ-VOUS À LA NEWSLETTER POUR RECEVOIR LE CODE DE RÉDUCTION SUR VOTRE PREMIÈRE COMMANDE!
♥ Liste d'envies
INSCRIVEZ-VOUS À LA NEWSLETTER POUR RECEVOIR LE CODE DE RÉDUCTION SUR VOTRE PREMIÈRE COMMANDE!
♥ Liste d'envies
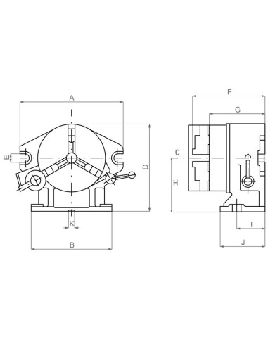
Permet d'avoir différents types de divisions en fonction du type de disque monté. La division se fait automatiquement à l'aide du levier d'avance. Possibilité de division manuelle de degré en degré 0° - 360°.
Données techniques
D: 259,25 mm
E: 18 mm
F: 214 mm
G: 171,5 mm
H: 149,25 mm
JE: 80 mm
J: 130 mm
K: 16 mm
Trou: 62 mm
Charge max. hor.: 50 kg
Ver. charge max.: 10 kg
Poids net: 52 kg
Enregistrez des produits sur votre liste de souhaits pour les acheter plus tard ou les partager avec vos amis.
